- 商品描述
- 商品询价热度
Atlas阿特拉斯 GTG40角涡轮打磨机

阿特拉斯 GTG40角涡轮打磨机优势特点
涡轮马达
精密调速器
可调节护轮罩
过速切断装置
更高的可达性
降低过速风险
集成自动平衡器
减少震动相关的伤害风险
同类产品中材料去除率高
功率重量比,效率得到大幅提高
Atlas 角涡轮打磨机GTG40各型号技术参数
Title | ID | 空转转速 | 轮径 | 转轴螺纹 | 进气口螺纹 NPT | 空转速度下的空气消耗量 | 输出时的空气消耗量 | 自动平衡器 | 经过 EAC 认证 | EC 标准 | 高度 | 随主轴变化的高度 | 免润滑 | 输出 | 工作压力 | 型号类型 | 电机类型 | 推荐的软管尺寸 | 声压 | 声音标准 | 声音不确定度 | 转轴长度 | 含支撑手柄 | 震动标准 | 振动不确定度 | 震动值 | WEEE | 重量 | EU 指令 | 声功率 | 进气口螺纹 BSP |
|---|---|---|---|---|---|---|---|---|---|---|---|---|---|---|---|---|---|---|---|---|---|---|---|---|---|---|---|---|---|---|---|
| GTG40 S060-727 | 8423071507 | 6000 r/min | 7 inch | 5/8-11 UNC | 1/2 inch | 20 l/s | 60 l/s | Yes | Yes | ISO 11148-7 | 151 mm | 123 mm | Yes | 4.5 kW | 90 psig | Angle | Turbine | 16 mm | 85 dB(A) | ISO15744 | 3 dB(A) | 22.3 mm | Yes | ISO28927-1 | 1.1 m/s² | 4 m/s² | 0 | 9.5 lb | 2006/42/EC | 96 dB(A) | |
| GTG40 F085-18 | 8423290010 | 8500 r/min | 180 mm | 20 l/s | 60 l/s | Yes | Yes | ISO 11148-7 | 128 mm | 99 mm | Yes | 4.5 kW | 90 psig | Angle | Turbine | 16 mm | 84 dB(A) | ISO15744 | 3 dB(A) | Yes | ISO28927-1 | 0.8 m/s² | 3.5 m/s² | 0 | 8.4 lb | 2006/42/EC | 95 dB(A) | 1/2 inch | |||
| GTG40 F066-23 | 8423291010 | 6600 r/min | 230 mm | 20 l/s | 60 l/s | Yes | Yes | ISO 11148-7 | 128 mm | 99 mm | Yes | 4.5 kW | 90 psig | Angle | Turbine | 16 mm | 84 dB(A) | ISO15744 | 3 dB(A) | Yes | ISO28927-1 | <2.5 m/s² | 0 | 8.8 lb | 2006/42/EC | 95 dB(A) | 1/2 inch | ||||
| GTG40 S085-727 | 8423071510 | 8500 r/min | 7 inch | 5/8-11 UNC | 1/2 inch | 20 l/s | 60 l/s | Yes | Yes | ISO 11148-7 | 151 mm | 123 mm | Yes | 4.5 kW | 90 psig | Angle | Turbine | 16 mm | 85 dB(A) | ISO15744 | 3 dB(A) | 22.3 mm | Yes | ISO28927-1 | 1.5 m/s² | 6.4 m/s² | 0 | 9.5 lb | 2006/42/EC | 96 dB(A) | |
| GTG40 S077-727 | 8423071509 | 7700 r/min | 7 inch | 5/8-11 UNC | 1/2 inch | 20 l/s | 60 l/s | Yes | Yes | ISO 11148-7 | 151 mm | 123 mm | Yes | 4.5 kW | 90 psig | Angle | Turbine | 16 mm | 85 dB(A) | ISO15744 | 3 dB(A) | 22.3 mm | Yes | ISO28927-1 | 1.3 m/s² | 5.3 m/s² | 0 | 9.5 lb | 2006/42/EC | 96 dB(A) | |
| GTG40 S060-927 | 8423071505 | 6000 r/min | 9 inch | 5/8-11 UNC | 1/2 inch | 20 l/s | 60 l/s | Yes | Yes | ISO 11148-7 | 149 mm | 123 mm | Yes | 4.5 kW | 90 psig | Angle | Turbine | 16 mm | 85 dB(A) | ISO15744 | 3 dB(A) | 22.3 mm | Yes | ISO28927-1 | 1 m/s² | 4.1 m/s² | 0 | 9.5 lb | 2006/42/EC | 96 dB(A) | |
| GTG40 F120-7D | 8423071530 | 12000 r/min | 180 mm | 1/2 inch | 20 l/s | 60 l/s | Yes | Yes | ISO 11148-7 | 128 mm | 99 mm | Yes | 4.5 kW | 90 psig | Angle | Turbine | 16 mm | 84 dB(A) | ISO15744 | 3 dB(A) | Yes | ISO28927-1 | 0.8 m/s² | 3.5 m/s² | 0 | 8.4 lb | 2006/42/EC | 50 dB(A) |

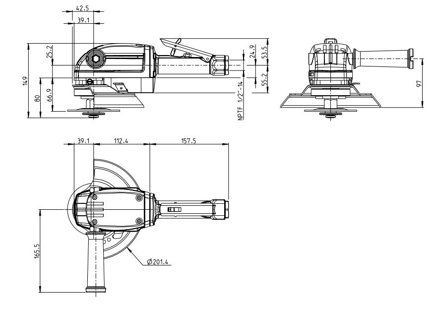
Atlas阿特拉斯 GTG40 S060-727角涡轮打磨机结构图


线上咨询




